Малогабаритная гидравлическая буровая установка HT70-B - это оборудование для бурения скважин средней и глубокой проходки в подземных туннелях малого сечения. Она может использоваться для бурения горизонтальных и веерообразных скважин на вертикальной и наклонной плоскости в подземных шахтах или туннелях.
Гидравлическая буровая установка оснащена устойчивыми двойными штангами, высокоточным индикатором угла бурения и эргономичным пультом дистанционного управления. В сочетании с эффективным гидравлическим приводом эти функции обеспечивают безопасное, точное и надежное бурение. Стрела превосходного качества с высокой устойчивостью обеспечивает точное позиционирование и высокую точность бурения, что помогает снизить разубоживание руды.
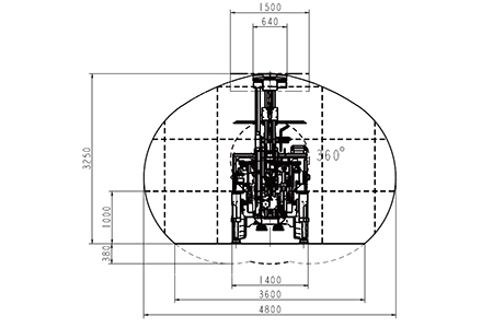
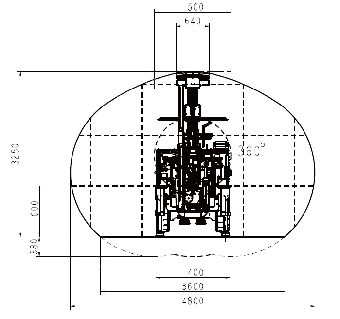
| Гидравлическая буровая установка | Размеры поперечного сечения | 2800×2800 - 4000×4000мм |
| Габаритные размеры (Д×Ш×В) | 4150×1400×2200мм | |
| Дорожный просвет | 280мм | |
| HT70B(CYTC70B) | Мин. радиус поворота | Внутри 2100 мм/ снаружи 3500мм |
| Преодолеваемый уклон | 14° | |
| Общий вес | 5500кг | |
| Гидравлический дрифтер RC2200 | Мощность удара | 21кВт |
| Частота ударов | 55Гц | |
| Ударное давление | 200бар | |
| Система вращения | Независимое вращение | |
| Скорость вращения | 0-285об/мин | |
| Макс. вращающий момент | 720 Н·м | |
| Система подачи | Длина подачи | 2550 / 2770 / 3000мм |
| Резьба буровой штанги | T38 / T45 | |
| Длина буровой штанги | 800 / 915 / 1220мм | |
| Вес подачи | 800/950/1050кг | |
| Сила подачи | 13кН | |
| Вместимость хранения штанг | 14+1 (T38) / 12+1 (T45) | |
| Электрическая система RC2200 | Общая мощность | 87.5кВт |
| Мощность главного двигателя | 75кВт | |
| Номинальное напряжение | 380 В (по индивидуальному заказу) | |
| Компрессор | Модель | GCU11 |
| Объем воздуха (8 бар) | 1 м³/мин | |
| Напряжение | 380В (по индивидуальному заказу) | |
| Стрела | Ход компенсации | 900мм |
| Угол поворота подачи | 180° | |
| Угол наклона | вперед -30°, назад+65° | |
| Вес стрелы | 750кг | |
| Диапазон параллельных скважин | 1500мм | |
| Гидравлическая система | Ёмкость масляного бака | 120л |
| Точность фильтрации | 10мкм | |
| Датчик | Датчик дифференциального давления для гидравлического фильтра | |
| Насос | Ручной масляный насос | |
| Шасси | Оси переднего моста | 7° |
| Шины | Передние: 8.25-10 | |
| Задние: 6.5-10 | ||
| Привод | Передний привод | |
| Рулевое управление | Рулевое управление задними колесами | |
| Тормоза | Рабочий тормоз / стояночный тормоз |
Huatai — китайская компания, специализирующаяся на разработке и серийном производстве бурового оборудования. С момента своего основания в 2000 году наша компания занимается производством бурового оборудования и обеспечением высочайшего уровня обслуживания клиентов для ряда предприятий, работающих в горнодобывающей, металлургической и фундаментостроительной отраслях.
Компания Huatai уже на протяжении 20 лет непрерывно привносит инноваций в область подземной добычи и бурения. Сегодня наша продуктовая линейка включает более 30 типов машин для бурения горных пород, которые можно разделить на три категории: оборудование для подземных горных работ, оборудование для добычи угля и буровые установки для бурения стволов. Годы нашего постоянного роста и совершенствования привели к значительным достижениям в китайской индустрии буровых машин, повышению безопасности, эффективности и рентабельности подземных горных работ и работ по строительству туннелей.
Буровая установка с вертикальным стволом серии GYSJZ – это высокопроизводительная буровая установка, которая идеально подходит для глубокого вертикального бурения в твердых породах. Оснащенная мощным 132-киловаттным двигателем и тремя гидравлическими приводами, она обеспечивает бурение диаметром от 4 до 6 метров.
Подробнее +
Буровая установка для бурения вала YSJZ специально разработана для строительства вертикальных стволов в шахтах по добыче железной руды и цветных металлов. Установка данного типа является отличной альтернативой для использования в горнодобывающих и подземных строительных проектах, где другие методы бурения не могут быть применены из-за их технических или экономических ограничений.
Подробнее +
Буровая установка с вертикальным стволом серии SJZ - это специальное оборудование для бурения взрывных скважин при строительстве вертикального ствола. Она подходит для широкого диапазона диаметров вала и отличается гибкостью эксплуатации, точным позиционированием и безопасностью.
Подробнее +
Специально разработанный для бурения в породах средней твёрдости, гидравлический перфоратор RC600 обеспечивает мощную и точную работу в широком спектре сложных задач. Благодаря прочной конструкции и универсальности он идеально подходит для поддерживающего бурения в подземных рудниках, установки анкерных болтов, строительства автомагистралей, мостов и сложных зданий.
Подробнее +